聯系我們
座機:027-87580888
手機:18971233215
傳真:027-87580883
郵箱:[email protected]
地址: 武漢市洪山區魯磨路388號中國地質大學校內(武漢)
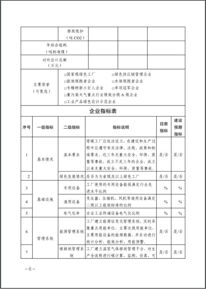
地方政策河北:建立省零碳工廠、零碳工業園區培育庫
文章來源:地大熱能 發布作者:石家莊高新區管委會 發表時間:2025-08-12 14:37:26瀏覽次數:362
上一篇 > 重慶:促進以源網荷儲一體化模式推動分布式光伏開發



















